Skip to content
SolveEMI
Home
Shop Solutions
Learn
Engineering Support
Brands
About Us
Contact Us
More
Home
Shop Solutions
Learn
Engineering Support
Brands
About Us
Contact Us
More
Account
Other sign in options
Sign in
Orders
Profile
Account
Other sign in options
Sign in
Orders
Profile
Your cart is empty
Have an account?
Log in
to check out faster.
Continue shopping
Total items in cart: 0
0
Your cart is empty
Have an account?
Log in
to check out faster.
Continue shopping
We Fix Noisy Designs
Shop all
Products
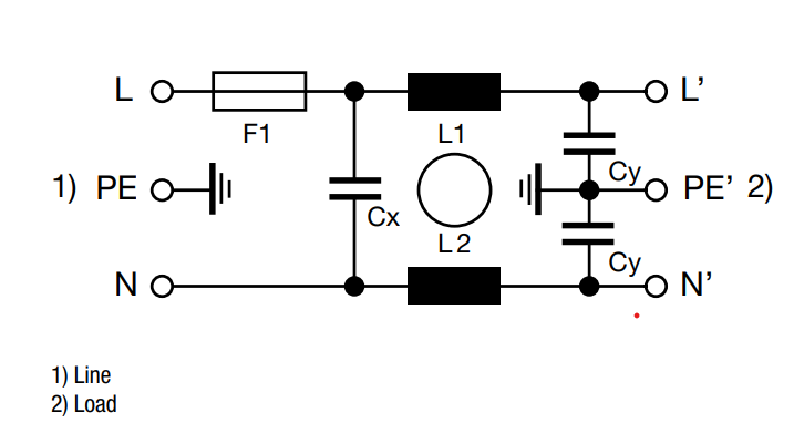
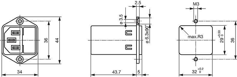
5200.0123.1
Add
Choose
5200.0123.1
5200.0123.1
$28.22
Search
Search
Clear
Products
5200.0123.1
5200.0123.1
$28.22